● General
FN7-12DR series indoor AC Medium voltage load break switch is mainly used to break the load current and make short circuit current in three-phase power system with rated voltage of 12KV AC 50Hz. The combination can break any current up to rated short-circuit current.
● Installation and Use
Normal Work Environment:
Upper limit:+40℃,
Lower limit:-25℃
Altitude: ≦1000m;
Daily average relative humidity:≦95%,
Monthly average: ≦90%;
In place free of pollution from corrosive and flammable gas or vapor;
In place of no intense vibration;
● Rated Parameters
Rated voltage(KV. RMS) | 12 | ||
Insulation level | 1 min power frequency withstand voltage (KV effective) | Phase-to-phase, phase-to-earth 42 | isolating distance48 |
Lightning impulse withstand voltage (KV peak) | Phase-to-phase, phase-to-earth 75 | isolating distance85 | |
Rated current (A) | 400 | 630 | |
Rated thermal stability current (KA effective 4S) | 12.5 | 20 | |
Rated dynamic current KA(peak) | 31.5 | 50 | |
Rated short circuit making current (KA peak) | 31.5 | 50 | |
● Main Specifications
Item | Full model | DS | DX | L | R | RA | F | Purpose | |
Earth switch at line incoming end | Earth switch at line outgoing end | Interlock device | Fuse | Striker fuse | Electrical opening device | ||||
Load | Un load | FN7—12 | —— | —— | —— | —— | —— | —— | Line load break switch |
FN7—12DSL | △ | —— | △ | —— | —— | —— | |||
FN7—12DXL | —— | △ | △ | ||||||
FN7—12R | —— | —— | —— | △ | —— | —— | |||
FN7—12DSLR | △ | —— | △ | △ | —— | —— | |||
FN7—12DXLR | —— | △ | △ | △ | —— | —— | |||
With striker fuse | FN7—12RAF | —— | —— | —— | —— | △ | △ | Transformer protection | |
FN7—12DSLRAF | △ | —— | △ | —— | △ | △ | |||
FN7—12DXLRAF | —— | △ | △ | —— | △ | △ | |||
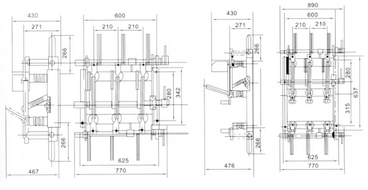
● FN12-12D/630-20 Indoor high voltage AC Load break switch Outline and Installation Diagram
